Máy tháo lốp (máy tháo vỏ) hay còn gọi máy ra vào lốp là thiết bị được thiết kế và chế tạo đặc biệt cho việc tháo - lắp lốp xe ô tô, xe máy, với nguyên tắc là chất lượng tốt nhất, hiệu quả làm việc cao nhất.

Máy tháo lắp lốp tự động HPA M928 Royal
Hiện nay chúng tôi đang nhập khẩu trực tiếp máy tháo lốp của 2 thương hiệu nổi tiếng trên thế giới:
- Máy tháo lốp HPA của Italia có giá thành cao, đổi lại nó có thể chịu tải được những công việc nặng nhọc và có độ bền cao gấp nhiều lần so với sản phẩm thông thường của các hãng đến từ Trung Quốc.
- Máy tháo lốp BRIGHT có giá thành cạnh tranh, được dùng rộng rãi trong các gara trên toàn quốc. Sản phẩm của Bright đã có mặt tại Châu Úc, Châu Phi, Châu Á, Châu Âu, Bắc Mỹ và Nam Mỹ với sản lượng hàng tháng lên đến hàng chục nghìn máy, mang đến sự tin cậy cho khách hàng
Để đảm bảo sử dụng đúng, an toàn và kéo dài tuổi thọ của thiết bị người vận hành cần nắm rõ những thông số kỹ thuật sau:
Thông tin sơ lược:
- Phạm vi ứng dụng: Máy tháo lắp lốp được thiết kế đặc biệt cho viêc tháo lốp ra khỏi vành xe và lắp lốp trở lại
- Chú ý: Máy này chỉ sử dụng vào mục đích mà nhà sản xuất thiết kế đề ra, không sử dụng cho mục đích khác.
- Quy định an toàn: Chỉ những người hiểu biết và có tay nghề mới được sử dụng máy. Thay thế không đúng các bô phân của máy hoặc không tuân thủ hướng dẫn sử dụng sẽ có thể dẫn đến hư hỏng cho thiết bị.
Phạm vi ứng dụng:
- Bề ngang lớn nhất của bánh xe: 330 mm
- Đường kính lớn nhất của bánh xe: 920 mm
- Chốt ngoài (vành bánh xe) Phanh chuyển đông bên trong: 8” - 20” (10” - 18”) (10” - 20”)
- Chốt trong (vành bánh xe) Phanh chuyển đông bên ngoài: 10” - 22” (12” - 21”) (12” - 23”)
Mô-tơ:
- Nguồn điên: 110V/220V/380V 50/60Hz
- Đông cơ điên : 1.1Kw ; 0.75Kw
- Số vòng quay của mặt xoay: 7vòng/phút
- Pha : 1Pha/3Pha
- Trọng lượng :
- Trọng lượng tịnh : 185Kg
- Thiết bị khí : áp suất hoạt đông : 8-10Bar
Kết cấu:
Các bộ phận của máy bán tự động khóa 1 chiều

(1) Tay cầm khóa 1 chiều
(2) Đầu tháo, lắp
(3) Lơ via móc lốp
(4) Logo trước
(5) Bơm bánh xe
(6) Mâm quay
(7) Xilanh
(8) Bàn đạp kiểm soát & điều khiển mặt quay
(9) Bàn đạp kiểm soát & điều khiển kẹp bánh xe
(10) Bàn đạp kiểm soát ép lốp
(11) Mặt ép lốp
Các bộ phận của máy bán tự động, khóa hai chiều

Các bộ phận máy tháo lốp bán tự động 2 chiều
(1) Tay cầm khóa hai chiều
(2) Đầu ra và vào lốp
(3) Lơ-via móc lốp
(4) Logo trước
(5) Bơm bánh xe
(6) Mâm quay
(7) Xilanh
(8) Bàn đạp kiểm soát & điều khiển mặt quay
(9) Bàn đạp kiểm soát kẹp bánh xe
(10) Bàn đạp ép lốp
(11) Mặt ép lốp
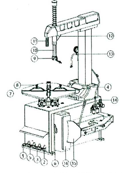
Các bộ phận của máy tự động

Các bộ phận máy tháo lốp bán tự động
(1) Bàn đạp điều khiển ra vào cần
(2) Bàn đạp mâm quay
(3) Bàn đạp ép lốp
(4) Hôp đựng dụng cụ
(5) Bàn đạp kiểm soát và điều khiển kẹp bánh xe
(6) Lơ-via móc lốp
(7) Mâm quay
(8) Ma kẹp
(9) Đầu ra vào lốp
(10) Trục dọc
(11) Tay khóa
(12) Tay ngang
(13) Bơm bánh xe
(14) Van hơi (điều chỉnh áp suất hơi vào)
(15) Mặt ép lốp
(16) Miếng lót cao su
Nhãn cảnh báo và hướng dẫn sử dụng
- Không đặt chân vào giữa mặt ép lốp và miếng đêm cao su; tránh giẫm nhầm lên bàn đạp sẽ có thể gây thương tích cho người sử dụng,
- Không đặt tay lên lốp khi đầu tháo đang ở vị trí hoạt đông, tránh thương tích cho người vân hành
- Không đặt tay giữa lốp và thiết bị kẹp khi tháo hoặc lắp vành bánh xe để tránh làm gây thương tích cho người vân hành
- Bàn kẹp nên để vị trí đóng, không đặt ở vị trí mở khi ép lốp để tránh gây thương tích cho người vân hành
- Người điều khiển, vân hành nên đeo kính khi bơm lốp bằng máy với hệ thống GT để tránh bụi hoặc vât gì đó bay vào mắt
(0 đánh giá)
Bình luận đang được kiểm duyệt !
Bình luận đang được kiểm duyệt !
Bình luận đang được kiểm duyệt !
Bình luận đang được kiểm duyệt !